Dum la antikvaj epokoj oni faris grandajn, famajn konstruaĵojn, kaj ekzistas konataj desegnaĵoj, kiuj tiam helpis la precizecon de la konstruado. Tiuj estis planoj, ne tute precizaj dokumentoj. Sed mankis la matematika priskribo, la precizeco. Mankis la priskribo de la preciza matematika mapado de la spacaj objektoj.
Unue okupiĝis pri la matematikaj aferoj la fama pentristo Dürer, kiu malkovris kelkajn teoremojn de la centra projekcio. Lia metodo ne estis matematika metodo, sed la rezultoj estis ĝustaj. Kaj lia vidpunkto ne estis la matematika fundado, sed li deziris nur anstataŭi la kutiman oran fonon sur la pentraĵoj per perspektivoj de domoj, montaroj ktp. Lia metodo estis eksperimenta, li faris ilon por mezuri la koordinatojn de la bildpunktoj.
La matematika fundamentado de mapado de spaco sur la ebenon apartenas al G. Monge, kiu estis universitata profesoro de geometrio en Parizo dum la Napoleona tempo. Tiam estis la teknikaj aferoj tre gravaj. Li solvis grafike la problemojn de konstruadoj de la fortikaĵoj, kiujn oni jam konis kiel kalkuladan metodon. Lia laboro estis tre valora, ke pro tiu estis lia rezulto dum 30 jaroj milita sekreto kaj estis fermita en trezoro.
Poste la stereografio ludis tre gravan rolon en la klerigo de teknikaj universitatoj. Nun ekzistas fakinstruistoj por instrui la stereografion en mezlernejoj, altlernejoj. Ili lernas kaj instruas la stereografion kiel matematika disciplino.
Nun ni jam scias, ke la stereografio havas multan eblecon. Oni povas tiun uzi ne nur ĉe la planado, sed por la solvo de iuj puraj, klasikaj geometriaj taskoj, eĉ en la komputado. Nuntempe, de post 20 jaroj ludas la stereogafio gravan rolon en la komputila grafiko, ĝi kontribuas por la geometria fundamentaĵo de la komputila grafiko.
Mi esperas, ke mia libreto bone helpas la legantojn (studantojn) por ekkoni la plej gravajn fundamentajn elementojn de la stereografio. Eĉ ni esperas, ke ankaŭ la fakuloj trovos novaĵojn en ĉi tiu kajero.
Debrecen. la 30-an de junio 1989.
Por la aktiva, efektiva laboro ni bezonas du konceptojn, geometriajn transformojn, mapadojn. Ili signifas po unu geometrion, la afinan kaj la projektivan geometrion. Do nun ni ne havas sufiĉan tempon por klarigi, lerni la tutan teorion. En la rilato de la stereografio estas tiuj geometrioj nur teoriaj iloj, kiuj tro helpas al ni por kompreni la bazajn problemojn de la stereografio.
Spacelementoj estas la punkto, la rekto, kaj la ebeno. Ĉiu alia objekto devenas el ili.
Ni signas la punkton per la latinaj majuskloj A,B,C,..., la rektojn per la latinaj minuskloj a,b,c,..., kaj la ebenojn per la dikaj literoj A,B,C, ....
Estu ebenoj A1, A2, A3, ..., An en la eŭklida spaco en laŭplaĉaj situoj. Prenu la rektojn p1, p2, p3,...,pn por projekcii la ebenojn kiel punktarojn. La figuro 1. montras la situon. Per p1 oni projekciu la ebenon A1 al A2, ..., An kaj fine per pn oni projekcias la ebenon An al A1. La procezo donas mapadon de A1 al A1 mem.
Kolektu la ecojn de la mapado!
Jen estas kelkaj:

Figuro 1.
Nun ni deziras fari ebenan mapadon, sed sen la spacaj rilatoj.
Ni nomas la ebenan mapadon afineco, se tiu estas punktomapado kaj proporciofidela.
La afineco estas donita, se oni konas la punktotriopon ĝeneralan situan kaj ĝiajn bildopunktojn same en ĝenerala situo.

Figuro 2.
La figuro 2. montras la donitajn punktoparojn. Estu X laŭplaĉa punkto. Se ni povas konstrui ĝian bildon X', kaj X' estas nur unika punkto (solvaĵo), tiam la teoremo estas pruvita.
Prenu la rekton AX, kiu tranĉas la lateron BC en punkto S. Ekzistas nur unu punkto S' en la latero B'C' tiel, kiel BS/SC = B'S'/S'C'.
En la rekto A'S' estas nur unu punkto X' tiel, kiel AS/SX= A'S'/S'X'. La figuro 2. montras ankaŭ la aplikon de teoremo de paralelaj tranĉantoj por konstrui la punkton X'.
Tiu ĉi mapado estas simila al la afineco, sed ne en la eŭklida ebeno, sed en la projektiva ebeno. La projektiva ebeno devenis historie el la eŭklida ebeno tiel, ke oni difinis la senfinforajn elementojn.
En la eŭklida ebeno la rektoj
estas paralelaj rektoj, do ne ekzistas punkto, kiu kuŝas sur ambaŭ rektoj, ili ne havas komunan punkton.
Signu x = x1/x3; y = x2/x3.
Se t ≠ 0, tiam ankaŭ x = t*x1/t*x3 kaj y = t*x2/t*x3 validas.
Tiel
Ni ricevis linearan homogenan ekvaciosistemon. La solvo estas ekz. x1=1, x2=-2, x3=0. La nombrotriopo (1,-2,0) ne signifas punkton en la eŭklida ebeno, Ĝi estas punkto en la projektiva ebeno kaj apartenas al la paralelaj rektoj kiel komuna punkto.
Kelkaj ecoj de la projektiva ebeno:
Post tiu ĉi preparaĵo ni prenu la ebenojn A1, A2, A3,...,An kaj po unu punkton P1, P2, P3,...,Pn por projekcii la ebenojn, kiel punktoarojn. E1 P1 la ebenon A1 ni projekcias al A2, ktp. fine la ebenon An el Pn al A1. Tielokaze ni ricevis mapadon de A1 al A1 mem, kiel rezulto de aro de centraj projekcioj. Vidu la figuron 3.

Figuro 3.
Ĉe centra projekcio estas la kruckvociento invarianta.
PRUVO (iomete ne tute precize):

Figuro 4.
Estu la projekciaj radiusoj a, b, c, d. Ni esprimos la kruckvocienton (ABCD) per la anguloj de rektoj a, b, c, d. La ortanto de triangulo ABQ estu o. Tiel:AC*o - AQ*CO*sin(ac)
AC/BC : AD/BD = sin(ac)/sin(bc) : sin(ad)/sin(bc)
A'C'/B'C' : A'D'/B'D'=sin(ac)/sin(bc) : sin(ad)/sin(bd)
(ABCD) - (A'B'C'D').
Sur la rekto g estas donitaj la punktoj A,B,C,D kaj sur g' la punktoj A',B',C'. Konstruu tiun D', por kiu (ABCD)=(A'B'C'D')!

Figuro 5.
La projektiveco estas donita, se oni konas punktokvaropon ĝeneralan situon, kaj ĝiajn bildpunktojn same en ĝenerala situo (ĝenerala situo signifas, ke neniu punktotriopo estas samrekta).
La donitaj punktoj estas A,B,C,D kaj iliaj konvenaj punktoj A',B',C',D'. Vidu la figuron 6.

Figuro 6.
Estu X laŭplaĉa punkto en la sistemo ABCD. La tranĉpunkto de la rektoj AC, BD estu S. Tiel S' estos la tranĉpunkto de rektoj A'C',B'D'. L estos la tranĉpunkto de rekto XD kaj AC. L' kuŝos sur la rekto A'B' kaj laŭ la figuro 5 ni ricevos unikan punkton sur la rekto A'C' tiel, kiel (ACSL)=(A'C'S'L'). La bildo de punkto K estos K', tranĉpunkto de rektoj A'B' kaj D'S'. Uzante la konstrukcion laŭ la figuro 5. ni ricevos unikan punkton en la rekto D'K' kiel bildpunkto de X.
La spacelementoj, t.e. punktoj, rektoj kaj ebenoj estas fiksitaj en koordinatosistemo (eŭklida, afina, projektiva). Oni povas plivastigi la ebenan afinecon, projektivecon ankaŭ por la spaco. En tiu kazo la afineco estas determinata de kvar punktoparoj (tetraedroparo) kaj la projektiveco de kvin punktoparoj (tetraedro + unu punkto kaj iliaj bildoj).
La ĉefaj objektoj estas ĉe la mapado la spaca koordinatosistemo kaj ĝia bildo, aŭ ekvivalentaj objektoj. Oni nomas la spacan objekton ĉefspacobjekto kaj ĝia bildo ĉefbildobjekto.
Por la desegnado oni devas preni degeneritajn mapadojn, ĉar la konstruado okazas sur la ebeno. La ebeno(j)n oni nomas bildebeno(j). La aksonometriaj mapadoj (ĉapitro 7.) estas degeneritaj mapadoj de la afina aŭ la projektiva spaco.
La plej simplaj mapadoj estas la projekcioj. Tiuj havas centron en fino aŭ en senfino kaj bildebenon. La centro malofte povas esti rekto, rektoparo aŭ iu kurbo; eĉ la bildebeno estas ne ĉiam ebeno. La ejo kie estiĝos la bildo eblas esti ankaŭ kurba surfaco, ekz. cilindro aŭ sfero.
Tre grava demando estas ĉiam la problemo de rekonstruo, t.e. oni devas scii la metodon kiel eble legi la plej gravajn spacajn rilatojn sur la bildo(j), kiel eble konstrui en la ebeno la spacajn rilatojn.
Ekzistas multe da metodoj por mapadi la spacon. Pri la plej oftaj metodoj temas la sekvantaj ĉapitroj.
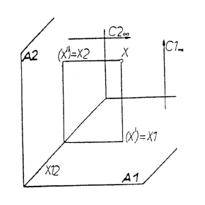
En la spaco estas fiksitaj tri ebenoj kaj apartenante al ili po unu centro. Estu la ebenoj A1, A2, A3, kaj la centroj C1, C2, C3. La tranĉlinio de ebenoj A1, A2 estu la rekto X12. Vidu la figuron 7.
![]() | ![]() |
| Figuro 7. | Figuro 8. |
Piku la rekto C1C2 la ebenojn A1, A2 en la punktoj P1, P2. Estu X laŭplaĉa punkto en la spaco. Projekciu la punkton X el C1 al A1, kaj el C2 al A2. La bildpunktoj estu X1 kaj X2. La bildpunktoj estas aranĝitaj. Tio signifas, ke la tranĉpunkto de la rektoj P1 X1 kaj P2X2 kuŝas ĉiam sur la rekto X12. Krome, se la punktoj Y1 kaj Y2 estas aranĝitaj, tiam ili povas esti bildpunktoj de iu spaca punkto Y, alifoje ne. La lasta afero, la problemo de aranĝitaj punktoparoj Y1,Y2 donas eblecon ricevi punkton, unikan punkton en la spaco, kies bildoj estas Y1 kaj Y2.
Prenu la trian ebenon A3 kaj la centron C3. Projekciu la spacon el C3 al la bildebeno A3, kaj supozu, ke la rilatoj inter A3, A1, A2 estas tute konataj. Ni devas koni la bildojn de elementoj X12, P1, P2. Sur la figuro 8. ni vidas ilin. Tiuj estas X12', P1', P2'.
Desegnu bildojn de triangulo. La unua bildo A',B',C' povas esti en ĝenerala situo. Laŭ la situo de A',B',C' ni ricevis la aranĝantajn liniojn, tiel la punktoj A'',B'',C'' devas esti sur la konvenaj aranĝantoj. Ĉar la mapado estas vico de centraj projekciadoj, la invariantoj de la projektiva geometrio estas validaj. Do ni povas solvi tiujn taskojn, kie la demando estas iu incida problemo.
Estas konata la bazelementoj de mapadoj t.e. X12', P1', P2'. Krome estu donitaj la koncernaj bildoj de triangulo ABC. Estu X' laŭplaĉa punkto de la bildebeno. Supoze, ke X kuŝas sur la ebeno ABC, konstruu la punkton X''.

Tranĉu la aranĝanto P1'X' la akson X12 en punkto S. X povas esti punkto en la spaco, se X'' estas iu punkto de la rekto SP2'.
Estu XC rekto de ebeno ABC. Tiam la tranĉpunkto A'B' kaj X'C' estas punkto de ebeno ABC sur la latero AB. Tiukaze ni ricevis ankaŭ la bildon T''. X'' devas esti sur la rekto T''C''. Do X'' estas la tranĉpunkto de rektoj C''T'' kaj SP2'.
Kun sama ideo ni povas solvi ĉiun incidan taskon, sed la mezurajn taskojn ne. Por solvi ĝenerale la mezurajn taskojn ni necesus la aparaton de la projektiva metriko.
La metodo de Monge naskiĝis pli frue, do tiu estas speciala parto de la ĝenerala dubildebena mapado.
La ebenoj A1 kaj A2 estas ortaj. La centro C1 estas senfinfora punkto de rekto, kiu estas orta al A1. Simile, C2 estas la senfinfora punkto de rekto, kiu nun estas orta al A2. Do la figuro 7. trairos en la figuron 10.
La tria ebeno A3=A2 aŭ A3=A1. La centroj C3, C1, C2 estas samrektaj kaj ili situas en senfinfora rekto. La angulo de la direkto de punkto C3 estas 45".
Anstatatŭ la lasta supozo ni povas diri, ke post la du spacaj projekciadoj ni unuigas la ebenojn A1 kaj A2; t.e ni turnas unu en la alian, ĉirkaŭ la rekto X12.
Tiuokaze la figuro 9. trairos en la figuron 11.
![]() | ![]() |
| Figuro 10. | Figuro 11. |
En la spaco estas donitaj du ebenoj A1 kaj A2. La bazelemento nun ne estas la punkto, kiel en la parto 4-a, sed la rekto (kaj la ebeno). La du fiksaj ebenoj portas la rekton, ekkaptante ĝian du punktojn, la tielnomatajn spurpunktojn S1,S2. Vidu la figuron 12. Se la objekto estas ebeno, la spurelementoj estas du rektoj s1, s2, la spurlinioj.
![]() | ![]() |
| Figuro 12. | Figuro 13. |
Por la mapado ni bezonas trian ebenon, iun bildebenon B kaj la centron C. Ni devas koni la rilatojn inter B kaj la spacaj S1, S2. Ni okupiĝos nun nur pri la du, la plej preferataj mapadoj, detale ni vidu tiujn en la sekvantaj du subĉapitroj.
Ĉiu jam vidis la rezulton de tiu ĉi mapado. Ĝi estas la mapo, urbomapo, landmapo aŭ turista mapo. La bildebeno B estas tiu ĉi ebeno, kie ni desegnas. La centro C estas senfinfora. La rekto, kiu montras al C estas orta al bildebeno; t.e. la mezurnombra mapado estas orta projekciado. La ebeno B estas A1 mem, kaj A2 paralelas al A1. Supozante, ke ni konas la distancon inter A1 kaj A2 (estu d, unuo por konstruado) ni povas solvi la rekonstruon tre simple. La figuro 13. montras la rezulton de mapado. Tie ĉi estas desegnita rekto g kaj ebeno S. Ambaŭ estas donitaj per siaj spurelementoj, t.e. la rekto g per la spurpunktoj G1 kaj G2, la ebeno S per la spurlinioj s1 kaj s2.
La rektoj s1 kaj s2 estas paralelaj. La rekto s1 kaj la punkto G1 estas en la bildebeno, do ilia distanco de bildebeno estas 0. G2 kaj s2 estas pli alta, precize ilia distanco estas d, t.e. 1. Facile oni ricevos la aliajn punktojn kaj rektojn, kiuj estas en "bildebeno", en distanco 2,3,4,... k.t.p oni povas doni en la desegnaĵo ankaŭ la nombron - ĉe la bildoj
Estu donita la punkto P'(3) kaj la rekto g'(4,2). Serĉu la spurliniojn de la ebeno, kiun difinas P kaj g.
La solvo (figuro 14.)

Figuro 14.
Ĉar la mapado estas paralela projekcio, validas la ecoj de afineco. Do la alteco de mezpunkto G de streko G1 G2 estas 3. Tiuokaze la rekto GP estas horizontala de la serĉita ebeno. Alia horizontala ebeno trairas ekz. la punkton G1 kaj ili paralelas.
El la ĝenerala teorio naskiĝos la centra projekcio, se ni elektas la bildebenon B=A1, poste estu A2 senfinfora ebeno (unika ebeno) de spaco, kaj fine estu C enfina punkto. Figuro 15.
Estu la orta projekciaĵo de C la punkto C1, designu sian distancon la d. Do ni devas doni la punkton C1 kaj estas kutime desegni cirklon per radiuso d. Oni nomas la cirklon distancocirklo. La figuro 16. montras ĉi tiun kaj la bildon de ebeno havantan rekton g.
![]() | ![]() |
| Figuro 15. | Figuro 16. |
La rekto s1 estas la spurlinio de ebeno s2' la bildo de senfinfora rekto de ebeno. Tiun ni nomas fuĝlinio. La rekto g kuŝas en la ebeno, ĉar ĝiaj du punktoj estas en la ebeno. Ni nomas la punkton S2' fuĝpunkto.
Speciala kazo de centra projekcio estas la PERSPEKTIVO. Oni uzas ebenon specialan situon. Tio signifas, ke oni elektas horizontalan ebenon, kiel tn. fundamentebenon, kaj legas ĉiun sur tiun ebenon. La bildebeno estas vertikala. Oni nomas la spurlinion de fundamentebeno fundamentlinio, kaj la bildon de senfinfora rekto horizontlinio.
La figuro 17. montras egalaltajn strekojn, kiuj staras sur la fundamentebeno.

Figuro 17.
La baztaskoj de spaca geometrio konsistas el du partoj. Oni devas esprimi en la ebena desegnaĉo la spacajn incidajn rilatojn, la spacajn situojn. Tio signifas, ke ni devas scii, koni la desegnan esprimon, kiuj rektoj estas paralelaj, preterpasantaj... kiam kuŝas la punkto sur la rekto... kiu rekto estas la trancaĵo de du ebenoj. La alia grupo de taskoj havas metrikajn valorojn, ekz. distancon de du rektoj aŭ angulon de rekto kaj ebeno.
Ni jam konatiĝis tri metodojn, per kiu oni povas mapadi la spacon sur la ebenon. La spacelementoj estas la punktoj, rektoj kaj ebenoj. Oni povas ĉiun alian objekton devenigi el tiuj. Do ni devas pritrakti ĉiujn bazajn taskojn, kiuj eblas inter la bazelementoj. Estas kutime dispartigi la problemojn je du partoj. Ili estas la incidaj kaj la mezuraj taskoj. En la du sekvantaj partoj ni solvos la baztaskojn, sed ĉiam nur en unu mapado, en la dubilebena mapado.
Ni supozas, ke la spaca geometrio estas tute konata. Ekzemple rekto kuŝas sur la ebeno, se du el siaj punktoj kuŝas sur la ebeno, du ebenoj povas esti samaj, paralelaj kaj trancantaj. Se du ebenoj havas komunan punkton, tiam ili ankaŭ havas komunan rekton. k.t.p.
Niaj baztaskoj estas la sekvaj:
| 6.1.1 | esprimi en desegnaĵo, kiam du rektoj estas tranĉantaj, paralelaj, preterpasantaj. |
| 6.1.2 | esprimi kiam kuŝas la rekto sur la ebeno. |
| 6.1.3 | kie estas la komuna punkto de rekto kaj ebeno. |
| 6.1.4 | konstrui tranĉlinion de du ebenoj, tranĉaĵon de du ebenaj figuroj. |
Nia mapado estu la Monga mapado, tio estas la plej simpla kaj ofta. La figuro 18/a montras du tranĉantajn rektojn a,b. T estas ilia komuna punkto. La figuro 18/b montras la paralelan situon kaj fine sur la figuro 18/c ni vidas la bildojn de rektoj preterpasantaj.
La ebeno estas difinita ekz. per du ne preterpasantaj rektoj aŭ per tri ne samrektaj punktoj, aŭ per rekto kaj ekstera punkto. Do ni povas supozi, ke ĉiam triangulo reprezentas la jenan ebenon.
![]() | ![]() | ![]() |
| Figuro 18/a. | Figuro 18/b. | Figuro 18/c. |
Ni jam scias, kiuj estas la ŝildoj de la tranĉantaj rektoj, do rekto incidas al ebeno, se tiu tranĉas du laterojn de triangulo, kiu reprezentas la ebenon. Rigardu la figuron 19.
![]() | ![]() |
| Figuro 19. | Figuro 20. |
Por ricevi la tranĉpunkton D de la rekto g sur la ebeno A rigardu la figuron 20. Prenu ebenon B tra la rekto g kaj konstruu la tranĉlinion m de A kaj B. La tranĉpunkto de m kaj g estas la punkto D, la komuna punkto de g kaj A. Estas grave, ke ni elektis la ebenon B, do tio povas esti speciala ebeno.
Estu do donita ebeno A per punktoj A,B,C,kaj la rekto g. Ilin montras la figuro 21. Ni prenas la ebenon B kiel duan projekciantan ebenon de rekto g, do m''=g''. La rekto m'' kuŝas sur la ebeno A,B,C, do la unua bildo m' estas konstruebla laŭ la figuro 19. La rektoj g kaj m estas tranĉantaj, do la tranĉpunkto de rekto kaj ebeno estos laŭ la figuro 18/a la punkto D.
![]() | ![]() |
| Figuro 21. | Figuro 22. |
Estu donita du ebenoj per la trianguloj ABC kaj RST. Rigardu la figuron 22.
Ni devas trovi du komunan punkton, do ni devas preni duope la konstruadon de figuro 21. D1 estas la tranĉpunkto de rekto AC, D2 de BC. Do D1 D2 estas la tranĉlinio, komuna rekto de la du donitaj ebenoj. Sed la tranĉaĵo estas nur la komuna parto, la streko de limo ĝis limo.
Tio signifas konstrui la originalajn valorojn de strekoj kaj anguloj el siaj bildoj. Do ni devas konstrui:
| 6.2.1. | veran valoron de streko. |
| 6.2.2. | ortan rekton al ebeno. |
| 6.2.3. | veran valoron de angulo. |
Detale:
Estu donita la streko AB per la bildoj A'B',A''B''. Figuro 23. Imagu la strekon en la spaco kaj prenu ĝian unuan projekciantan ebenon, poste turnu la ebenon - kune la streko - en la unuan bildebenon.
![]() | ![]() |
| Figuro 23. | Figuro 24. |
Tiel ni ricevas la strekon (A)(B) kaj tiu estas la originala longeco de la streko.
La enspaca uzebla teoremo estas: rekto estas orta al iu ebeno, se tiu estas rekta al du ebenaj kaj tranĉantaj rektoj. Dum la konstruado ni povas preni specialajn rektojn por certigi la du tranĉantajn rektojn. Poste, se du rektoj estas ortaj, kaj unu el ili estas paralela kaj la alia ne estas orta al la bildebeno, tiam la ortaj projekciaĵoj de la spacaj rektoj estas denove ortaj. Tiun montras la figuro 24.
Estu do la tasko, konstrui rekton n tra la punkto P, kiu estas orta al la ebeno A de la punktoj A,B,C. Komence ni serĉas du specialajn rektojn sur la ebeno A. Estu la rekto h paralela al la bildebeno A1 tra la punkto A, kaj v tra la punkto B al A2. (h estas en horizontala kaj v vertikala ebeno.) Figuro 25.

Figuro 25.
Do v' devas esti paralela al x12 tra la punkto B'. Ĉar v kuŝas sur la ebeno ni ricevos la bildon v'' laŭ la figuro 19. Same, h'' paralelas al akso x12 tra la punkto A'', kaj ni ricevos h' kiel bildon de ebena rekto.
Do ni jam preparis nin por solvi la taskon. La solvaĵo estas la rekto n, por kies bildoj validas: n'' estas orta al v'' tra la punkto P'', kaj n' estas orta al h' tra P'.
La angultaskoj havas finfine la problemon konstrui la veran valoron de angulo, sed ni konas nur la bildojn. Estu do donite du duonrektoj a,b forirante el sama punkto P, kompreneble en bildoj, do a',b',P',a'',b'',P''. Vidu la figuron 26.
![]() | ![]() |
| Figuro 26. | Figuro 27. |
Oni vidas, ke la ebeno de rektoj a,b estas horizontala, do la unua bildo de rektoj montras la veran valoron de la angulo. La figuro 27. montras du tranĉantajn kaj ortajn rektojn. La rekto b estas horizontala kaj a estas en ĝenerala situo. Oni povas vidi ke en la dua bildo la ortangulo vidiĝas foje kiel pinta kaj foje kiel obtuza angulo. -
La solvo por ricevi la veran valoron de angulo oni devus turni la angulon en la paralelan situon al iu bildebeno. Oni povas enturni unu ebenon en la alian ĉirkaŭ ilia tranĉrekto.
Sur la figuro 28. ni konstruas la unuan spurlinion kaj faras la turnon. La unuaj spurpunktoj de rektoj a kaj b estas A1 kaj B1. Do A1 B1 estas horizontala linio de la ebeno P A1 B1 kaj en la ebeno A1. Konduku ortan rekton en la ebeno a,b el P al A1 B1. Tiu estas la rekto PS. Nun ni konstruu la veran valoron do la streko SP laŭ la figuro 23. Tiu estas (P)S'. Do kiam turniĝas la pintpunkto P de la angulo tra la rekto A1 B1, tiam ĝi priskribas cirklon per radiuso (P)SI kaj mezpunkto S1, La ebeno de la turnanta punkto dum la turnado estas orta al la turnakso A1 B1.

Figuro 28.
Do sur la unua bildebeno ni ricevas la turnitan punkton [P] kaj kun tiu ankaŭ la turnitan angulon. La vera valoro de la angulo de la rektoj a,b estas do la angulo A1[P]B1.
Tio signifas, ke oni uzas aksojn por helpi la procezon de desegnado. La desegnaĵo estas ĉiam unubilda esprimo de iu spaca objekto aŭ rilatoj inter la bazelementoj en la bildebeno. La aksoj difinas specialan ebenan koordinatosistemon.
Ni ekiras el la afina aŭ el la projektiva spaco kaj prenas degeneritan mapadon de la spaco sur la koncernan (afinan aŭ projektivan) ebenon. Oni nomas la rezulton paralela aŭ centra aksonometrio, aŭ ofte mallonge nur aksonometrio kaj perspektivo.
Estu donita en la eŭklida (aŭ afina) spaco O,EX,EY,EZ la kutima (karteza) koordinatosistemo. Estu P laŭplaĉa punkto de la spaco kun koordinatoj x,y,z. Estu PX,PY,P2 punktoj sur la konvenaj aksoj tiel, ke la sekvantaj egalecoj validu por la strekoj:
| O,PX = x | O,PY = y | O,PZ – z |
Aŭ esprimate per la proporcioj (ĉapitro 2.1):
| (PX EX O) = x | (PY EY O) = y | (PZ EZ O) = z |
Oni nomas la punktojn PX,PY,PZ koordinatopunktoj de P. (figuro 29). Poste ni prenu laŭplaĉan punkton O' sur la bildebeno kaj tri duonrektojn kun sama ekpunkto ''', kaj sur la duonrektoj po unu punkton EX',EY',EZ'. Designu la distancojn O'EX'= u; '''EY'= v '''EZ'= w. Nun konstruu la punktojn PX',PY',PZ' tiel, ke validu:
| O'PX' = u*x | O'PY' = v*y | O'PZ' = w*z |
![]() | ![]() |
| Figuro 29. | Figuro 30. |
aŭ per la proporcioj (ĉapitro 2.1.):
| (PX'EX'O') = x | (PY'EY'O') = xt | (PZ'EZ'O') = z. |
Poste ni formu n laŭ la figuro 30. Vidalvide a1 la punkto O' estas punkto P'. Ni nomas tiun la aksonometria bildo de la punkto '. Jen estas la fino de difino.
Do ni prenis tri laŭplaĉan duonrektojn ekirante el sama punkto kaj fine ricevis vidindan bildon. La kubo povas reprezenti la koordinatosistemon en la spaco, kaj ĝia aksonometrio estas simpla figuro. Ni eldiros la bazteoremo de la paralela aksonometrio per la helpo de kubo.
La aksonometria bildo de objekto estas ĉiam simila al iu paralela projekciaĵo de spaca objekto.
Nun jam ekzistas pli ol 30 pruvoj de la interesa teoremo. Ni elektos tre elegantan el ili kiun faris E. Stiefel en 1947.
Do estu donita aksonometria bildo de kubo. Figuro 31. Prenu afinan bildon de la aksonometria bildo. La afineco estas donita per tri punktoparoj (ĉ.21). Ni elektis bildojn de punktoj O',EY',EZ' tiel ke por la bildoj estu O''EY''=O''EZ'' kaj la angulo EY''O='EZ'' estu ortangulo. (figuro 32.). Poste ni jam ricevos la bildon EX'' de la afina bildo de la punkto EX', laŭ la konstruado ĉ. 2.1.
| ![]() |
| Figuro 31. | Figuro 32. |
Ĉar la afineco estas paralelafidela oni povas desegni la tutan afinan bildon de la figuro 31, t.e. la figuro 32. estas afina bildo de la figuro 31.
Oni povas vidi facile, ke la figuro 32. estas paralela projekciaĵo de iu kubo: La kubo staras sur la ebeno, ĝia latero estas la kvadrato O'',EZ''',?'',EY''. La direkto de projekcio estas EX, EX''.
Do la aksonometria bildo de objekto estas ĉiam afina bildo de iu paralela projekciaĵo de la spaca objekto. (Estas interese, ke tiu teoremo ekzistas ankaŭ en la multdimensiaj spacoj, sed la teoremo Pohlke ne.)
Ni nomas mallonge la figurojn E' kaj E''. ĉar ili estas ebenoj, afinaj unu al la alia.
Desegnu cirklon k' sur la ebenon E'. Ĝia bildo k'' estas ĝenerale cirklo sur E''. Sed E'' estas paralela projekcio de spaca objekto, do ekzistas ebeno E''' en la spaco kien la projekciaĵo de k'' estas denove cirklo k'''. Do la rilato inter la ebenoj A' kaj A''' estas simileco, t.e. la aksonometria bildo A' aŭ la figuro 31 similas al la paralela projekciaĵo de kubo sur la ebenon A'''.
La difino de la centra aksonometrio similas al la difino de paralela aksanometrio, sed nun ni uzos la projektivan spacon kaj ebenon.
La projektiva koordinatosistemo en la spaco konsistas el la punktoj: origino O,
Oni povas esprimi la koordinatojn ankaŭ per la kruckvocientoj:
| x = (PX EX O UX) | y = (PY EY OUY) | z = (PZ EZ OUZ) |
Tiuj estu sur la bildebeno invariantoj, t.e. laŭ de konstruo de la kruckvociento ni ricevos punktojn PX', PY', PZ'. (ĉap. 2.2, fig. 5). Sur la figuro 33 ni vidas la spacan koordinatosistemon kun la unuokubo kaj sur la figuro komence nur la ĉefbildfiguron kun la bildo de unuokubo. La desegnado okazis simile al la kazo de paralela aksonometrio. Vidalvide de punkto O' ni trovas punkton P' kiel "bildo" de punkto P. Jen estas la fino de difino.
![]() | ![]() |
| Figuro 33. | Figuro 34. |
La centra aksonometrio de objekto estas ĉiam projektiva al iu centra projekciaĵo de la objekto.
Nia nuna metodo tute similas al la pruvo de teoremo Pohlke. Do ni uzas nur la koordinatosistemon. Estu donita la ĉefbildfiguro A'; vidu la figuron 35. La ebena projektiveco estas donita, se oni konas kvar punktoparoj en ĝenerala situo (ĉap. 2.2). Ni elektos parojn de punktoj EY',UY',EZ',UZ'. Tiuj estas en la ebeno A'' (figuro 36.) la punktoj EY'',UY'',EZ'',UZ''. Por la strekoj O''EY''=O''EZ''. Laŭ la metodoj de ĉapitro 2.2, kaj la figuro 6. ni povas konstrui la punktojn EX'',UX''. La punkto UX'' estas ĝenerale enfina punkto. Nun ni jam povas vidi, ke la figuro 36. estas centra projekciaĵo de la ĉefspacfiguro. La punktoj EY=EY'', O=O'', EZ=EZ''. La centro estas la tranĉpunkto de la rektoj EX''EX kaj UX''UX.
La centra aksonometrio ĝenerale ne estas centra projekciaĵo de la koncerna objekto.
Estu UY' kaj UZ' senfinforaj punktoj, la UX' enfina. Poste la angulo de la, aksoj y'z' ne estu orta. Se tiu 2i ĉefbildfiguro estus centra projekciajn de ĉefspacfiguro, tiam devus esti la ebeno de la aksoj y,z paralelaj al la bildebeno. En tiu okazo la projekciaĵo de la angulo y,z estus orta, sed tiu jam estas kontraŭdiro.
Kompreneble, ĉiu centra projekciaĵo estas ankaŭ centra aksonometrio. Estas interese, kiam estas la centra aksonometrio aŭ perspektivo ankaŭ centra projekciaĵo.
La solvo estas malfacila, la rezultoj estas relative junaj. Mi konas du ekvivalentajn respondojn. Kruppa trovis la unuan el ili komence de la jarcento kaj mi trovis la duan antaŭ dek jaroj. La esprimoj de kondiĉoj estas tute malegalaj nur la rezultoj egalas. Sed ni ne havas sufiĉan prekonon por kompreni la teoremon.
![]() | ![]() |
| Figuro 35. | Figuro 36. |
Por la perkomputila grafika laboro oni devas havi krom la komputilo grafikajn ilojn, periferiojn, minimume ekranon kun grafikaj eblecoj aŭ desegnan aŭtomaton. Se oni uzas tiujn por la matematika solvo de iu grafika problemo, tiam la instrumentoj (komputiloj kaj la grafikaj iloj) povas esti tre simplaj. Tute alia demando estas la sama solvo ekz. por la industrio, sed nur pro la precizeco kaj pro multe da linio.
Estas minimume du demandoj:
Ambaŭ estas grandaj kaj interesaj problemoj. Ni jam scias, konas du mapadojn, kiujn oni povas elekti, sed ekzistas ankaŭ aliajn mapadoj. Pli malfacila demando estas la dua kazo pri la linioj. Eble, ke la objekto mem ne havas signitajn kurbojn, ili estas glataj, ne tiel, kiel la poliedroj. La plej malfacila demando estas la solvo de la videbleco. Eble - diras multe da fakuloj -, ke neniam naskiĝos algoritmo por desegnigi ĉiun objekton per komputaj iloj laŭ la videbleco.
En tiu ĉi ĉapitro ni montros du relative facilajn metodojn por mapadi la spacon. Poste mi montras desegnaĵojn, kiujn faris mi mem aŭ miaj disĉiploj per komputiloj aŭ desegna aŭtomato.
La aksonometrio - laŭ la bazteoremo - estas afina mapado. Oni povas priskibi la afinan mapadon en la spaco per la suba ekvaciosistemo:
x' = a11*x + a12*y + a13*z
y' = a21*x + a22*Y + a23*z
z' = a31*x + a32*y + a33*z
se la origino estas identa.
La aksonametrio estas mapado de la spaco sur iun ebenon, do tiu estas degenera. mapado. Tio signifas, ke unu el la ekvacioj estas stuperfluaj, ekz. la lasta.
La aksonometria mapado P(x,y,z) → P'(u,v) por komputa laboro do estas:
u = a11 * x + a12 * y + a13 * z
v = a21 * x + a22 * y + a23 * z
La kolumoj de la matrico havas belajn simplajn interesaĵon, nome tiuj estas la koordinatoj de la aksonometriaj unuopunktoj.
Do:
Ex(1,0,0) → Ex'(a11,a21)
Ey(0,1,0) → Ey'(a12,a22)
Ez(0,0,1) → Ez' (a13,a23)
Oni povas tiujn rilatojn vidi sur la figuro 36.
![]() | ![]() |
| Figuro 36. | Figuro 37. |
Nia klarigota metodo, kiu estas iomete ĝenerala, konvenas al la procezo de la strata fotografado. Tiu estas denove punktomapado.
La centro C(X0,Y0,Z0) estas laŭplaĉa punkto en la spaco, kiel la fotografantano, mova punkto. La bildebeno estas determinata, staras ĉiam vidalvide al la centro, kiel la filmo en fotografilo dum la persona fotografado. Matematike tio signifas, ke la bildebeno trairas la akso z, do vertilala. Poste ĝi turniĝas ĉirkaŭ la akso z tiel ke estu orta al la ebeno [Cz]. Vidu la figuron 37. Se P(x,y,z) estas laŭplaĉa punkto de la koncerna objekto ni devas komputi la tranĉpunkton de la rekto PC per la bildebeno. Estu tiu punkto P'(x',y',z'). En la bildebeno ni devas enkonduki ebenan koordinatosistemon. Unu de la aksoj estu v=z, la alia, la u estu la tranĉlinio de la bildebeno kaj bazebeno xy. Komputu do la koordinatojn u,v!
Post la mapadoj oni devas solvi la alieojn por vidi iujn liniojn kiuj povas reprezenti la koncernajn objektojn.

Funkciodesegnaĵo.
La funkcio povas esti laŭplaĉa y=f(x). La programo donas kompletan diskuton de la funkcio.

La figuro montras bildon de la funkcio z=f(x,y). La parametrolinioj helpas la desegnaĵon.

Sur la bildo ni vidas aksonometriajn bildojn de la kubo.
Depende de la matrico de la aksomometria mapado oni povas ricevi diversajn bildojn, eĉ ankaŭ degeneritajn aksonometriojn. (maldesktre)

La figuro montras aksonometrian bildon kaj centran projekciaĵon de la kubo.

La figuro estas aksonometria bildo de la funkcio r = r (u,v).
Nun tiu estas ŝraŭbaĵo de kurbo.

La figuro prezentas la Archimedan surfacon
Niaj du figuroj estas dependaj. La unua estas "floro de la fantazio", la dua estas ĝia projektiva bildo.

fantazifloro

Projekivaj bildoj de "floroj"
La lastaj du desegnaĵoj estas faritaj per desegna aŭtomato.

Speciala bildo de funkcio z = f(x,y).

Specialaj objektoj, kaj estas speciala ankaŭ la aksonometria mapado.
Fonto: d-ro J. Szabó: Bazoj de la stereografio, Debrecen, 1989, broŝuro
Kunlaborinto: Mészáros István
STEB: http://www.eventoj.hu